
本頁主要介紹JDJJ2-35電壓互感器的接線圖、作用原理、變比、精度、準確級等詳細參數,我們將竭誠為您提供價格咨詢。
JDJJ2-35電壓互感器為單相三線圈、戶外油浸式電壓互感器,適用于50Hz、35KV交流系統中供測量電壓、電能及繼電保護之用。

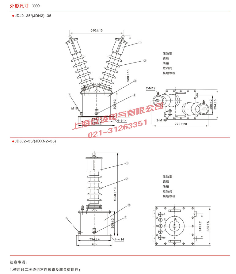
JDJJ2-35型電壓互感器的鐵心由條形硅鋼片疊成,為三柱芯式,鐵芯為單相三柱式、中柱上套有三個線圈、一次、二次和剩余繞組,器身用鐵夾固定在箱蓋上,在箱蓋上裝有一次及二次套管等,油箱用鋼板焊成,油箱壁下部裝有接地螺栓及放油塞,箱底有四個安裝孔。
器身固定在油箱的定位釘上,一次線從電瓷管穿出與儲油柜上的接線柱連接。
儲油柜裝有油表,油箱為方型或圓形,下部備有接地螺栓和放油塞。
| 型號 | 額定電壓比 (V) | 準確級組合 | 額定輸出(VA) | 極限輸出(VA) | 額定絕緣水平(kV) |
| JDJJ2-35 | 35/√3/0.1/√3/0.1/3 35/√3/0.1/√3/0.1/√3/0.1/3 |
0.2 |
75/30 150/60 250 100/100 |
1000 2X500 |
40.5/95/200 |
3. 1、額定準確級相應輸出:0.5級150VA 1級250VA 3級500VA
3.2、二次繞組極限輸出:1000VA
3.3、絕緣水平:23/55/125KV
3.4、連接組別:1/1/-12
3.5、誤差限值:
|
準確級
|
電壓誤差
±% |
相位差
|
|
|
±(、)
|
±crad
|
||
|
0.2
|
0.2
|
10
|
0.3
|
|
0.5
|
0.5
|
20
|
0.6
|
|
1
|
1
|
40
|
1.2
|
|
3
|
3
|
不規定
|
不規定
|
▲產品符合標準GB1208-1997和IEC186之規定
▲額定電壓比、準確級組合、額定二次輸出、極限輸出、額定絕緣水平見下圖


電壓互感器型號由以下幾部分組成,各部分字母,符號表示內容:
第一個字母:J——電壓互感器;
第二個字母:D——單相;S——三相
第三個字母:J——油浸;Z——澆注;
第四個字母:數字——電壓等級(KV)。
例如:JDJ-10表示單相油浸電壓互感器,額定電壓10KV。
額定一次電壓,作為互感器性能基準的一次電壓值。
額定二次電壓,作為互感器性能基準的二次電壓值。額定變比,額定一次電壓與額定二次電壓之比。
準確級,由互感器系統定的等級,其誤差在規定使用條件下應在規定的限值之內負荷,二次回路的阻抗,通常以視在功率(VA)表示。額定負荷,確定互感器準確級可依據的負荷值。
6.1、JDJJ2-35電壓互感器常規接線方法:

6.2、JDJJ2-35電壓互感器抗諧振接線方法

7.1、安裝地點的海拔不超過3000M
7.2、環境溫度:-40℃~+40℃
7.3、空氣相對溫度:85%(20℃)
7.4、沒有導電塵埃及腐蝕性氣體的戶外場所
產品名稱、型號、額定電壓比、使用環境,如有特殊要求,可特殊設計供應